Product Specifications¶
Feature |
Specification |
Details |
|---|---|---|
Processor |
CPU |
Intel Atom® x6413E Quad-Core Processor, 1.5/3.0 GHz |
Memory |
RAM |
8 GB DDR4 (expandable up to 32 GB) |
Storage Options |
NVMe |
x1 NVMe slot |
SATA |
x1 SATA slot |
|
Security |
TPM |
TPM 2.0 |
I/O Ports |
DisplayPort |
x1 |
HDMI |
x1 |
|
Gigabit Ethernet |
x3 RJ45 |
|
USB 3.0 |
x3 |
|
USB 2.0 |
x1 |
|
Serial Ports |
x2 RS232/RS485 |
|
Connectivity |
Cellular (EG603L only) |
4G LTE / 5G |
WLAN |
Optional Wi-Fi |
|
Expansion |
SIM Slot |
x1 Nano-SIM |
Environmental |
Operating Temperature |
-20°C to 70°C |
Storage Temperature |
-20°C to 80°C |
|
Humidity |
5% to 95% non-condensing |
|
Power |
Supply |
12 - 36 V DC (+/-10 % tolerance) |
Connector |
Terminal Block or DC Jack |
|
Mounting |
Options |
DIN-Rail mounting kits available |
Operating System |
Compatibility |
Welotec egOS |
Physical Build |
Material/Color |
Steel / Aluminum |
Ingress Protection |
IP20 |
|
Dimensions |
64 x 140 x 92 mm |
|
Weight |
800 g |
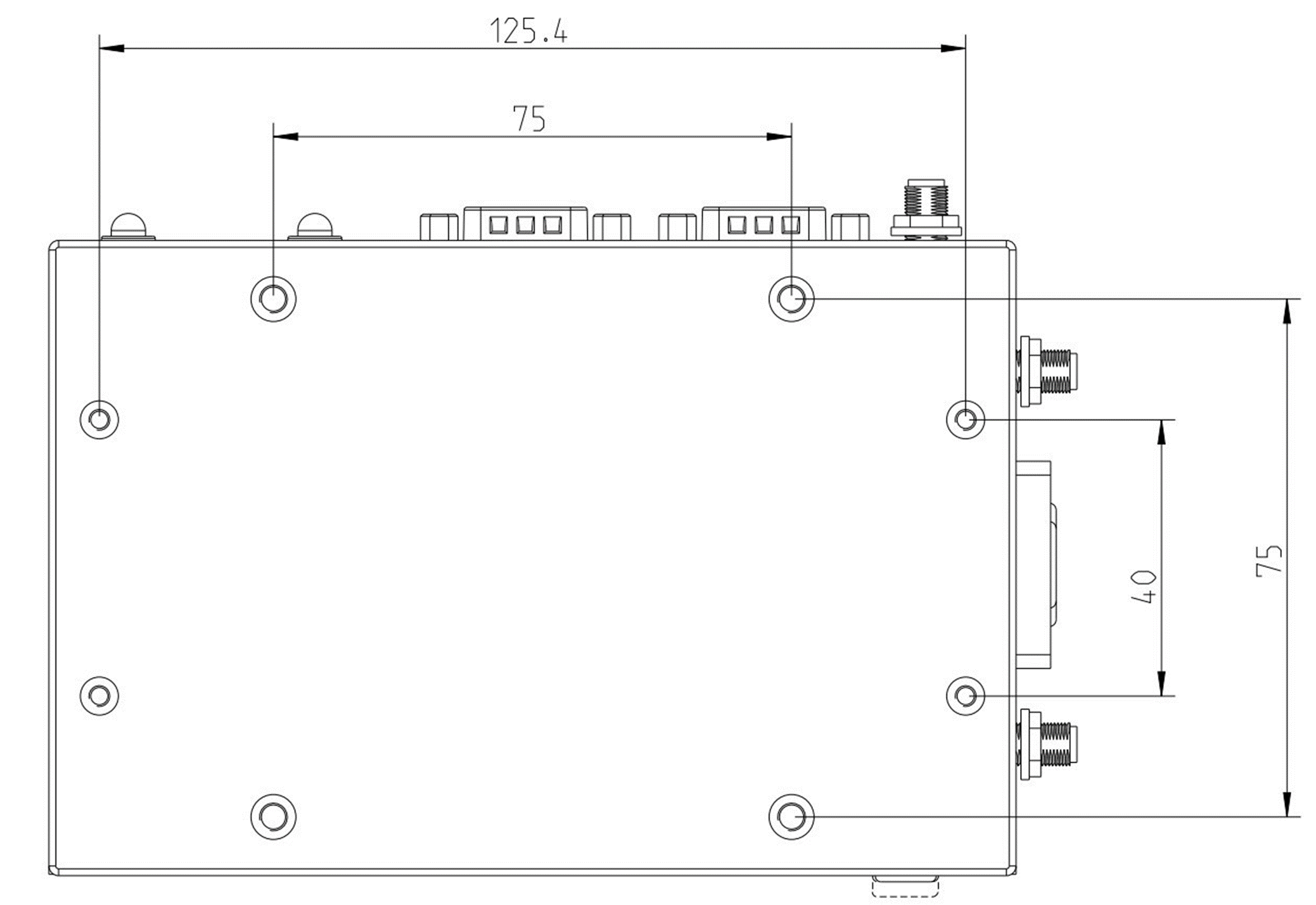
Dimensions¶
System Drawing¶

Top site¶

Rear site¶

Antenna Configurations¶
ANT1 |
ANT2 |
ANT3 |
ANT4 |
ANT5 |
ANT6 |
|
|---|---|---|---|---|---|---|
LTE |
Diversity |
Main |
GNSS |
|||
5G |
Diversity* |
Diversity |
Main |
GNSS |
Diversity |
|
WiFi |
X |
(X)* |
*with 5G Antenna allocation is dependent on customer requirements